低压电工证电动机单向连续运转接线(带点动控制)(K21)介绍
低压电工证电动机单向连续运转接线(带点动控制)(K21)介绍

电工、焊工、登高、短期培训火热报名中,通过率高,拿证快,本地应急局出证,全国通用 特种作业培训服务(电工证、焊工证、高处作业证)
本地机构 一站式服务 报名+培训+拿证
⭐正规考试 ⭐专业机构
⭐全国通用 ⭐证书正规
⭐联网可查 ⭐免费题库
特种作业操作证报考联系电话:13768304047(微信同步)周老师
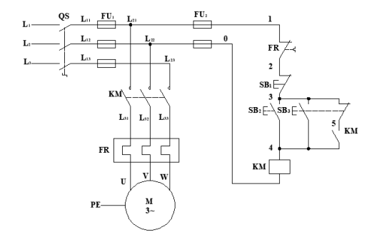
1.电动机单向连续运转接线(带点动控制)(K21)
一、考试目标
考核考生的电气识图能力及电动机单向连续运转接线(带点动控制)电路安装与调试的安全操作能力,要求接线正确,通电正常运行,重点考核电路安装与调试的安全操作技术及安装与调试过程中的安全注意事项、风险识别能力及安全意识。
二、考试方式
采取实际操作和口述的方式进行考试。操作步骤由考生完成,根据考生的操作情况进行评分。
三、考试时间
30分钟
四、考场要求
1.考场面积为80~100m2,设有30个考位,每个考位有1个工作台。考场采光良好,不足部分采用照明补充,保证工作面的照度不小于100勒。
2.考场应干净整洁,空气新鲜,无环境干扰。
3.考场内应设有三相电源并装有漏电保护器。
4.各考位的考试设备及器材配置如下表所示。


五、任务描述
示例:如下图所示,按图安装电路。

六、作业安全考试要点
1.按给定电气原理图,选择合适的电气元件及绝缘电线进行接线;
2.按要求对电动机进行单向连续运转接线(带点动控制)电路接线;
3.通电前使用仪表检查电路,确保不存在安全隐患以后再送电;
4.各项控制功能正常实现。
七、考试任务实施
1.考生劳保着装
要求:安全帽、工作服、绝缘鞋应穿戴正确。
2.评估现场环境
要求:评估现场作业环境是否安全,工位整洁不潮湿。
3.工器具和材料选用及检查
要求:(1)检查工器具是否齐全完好。(2)检查材料数量、规格齐全,且满足要求。
4.元器件检查
要求:(1)检查空气开关外观无损坏,动作灵活,无卡滞,各接触点动作正确、接触良好;(2)检查交流接触器外观无损坏,动作灵活,无卡滞,各常开常闭接触点动作正确、接触良好;(3)检查热继电器外观无损坏,各接触点动作正确、接触良好;(4)检查按钮外观无损坏,动作灵活,无卡滞,各常开常闭接触点动作正确、接触良好;(5)检查熔断器外观无损坏、各接触点完好,接触紧密;熔断器和熔体的额定值与被保护设备相配合。
5.整体布局
要求:确定各元器件安装位置合理。
6.布线
要求:(1)接线无错误或漏接;(2)接线处导体裸露长度不超出标准规定;(3)接线无松动;(4)导线(颜色、截面)选择正确;(5)线路不应有中间接头,当无法避免时,应通过接线端子接线,同一接线端子不应超过2根导线;(6)导线绝缘皮不得压入端子;(7)电机外壳装设接地线。
7.线路测试
要求:在不加交流电源时,完成线路分析与测试。(1)用万用表电阻档检查回路无短路;(2)用万用表电阻档测量回路导通正常;
8.送电
要求:第7步检查完成后,合上电源侧空开,合上回路空开,利用万用表的交流电压档检查电源电压是否正常。
9.通电试验
要求:(1)按下起动按钮SB2,接触器KM吸合,电机开始连续转动。(2)按下停止按钮SB1,接触器KM断开,电机停转。(3)按下点动按钮SB3,接触器KM吸合,电机开始转动,松开点动按钮SB3,电机停止转动。
10.口述问答
问:短路保护与过载保护的区别:
答:(1)短路保护是指线路或设备发生短路时,能迅速切断电源的一种保护。(2)过载保护是指当线路或设备的负荷超过允许范围时,能适当延时后切断电源的一种保护。
11.工作终结
要求:操作结束后应整理好工器具,清理作业现场,物归原位。
八、评分标准


相关规定
法律明文规定必须持证上岗作业电工作业属于特种作业,容易发生事故,对操作者本人、他人的安全健康及设备、设施的安全造成重大危害。 根据《刑法》第134条规定,在生产、作业中违反有关安全管理的规定,因而发生重大伤亡事故或者造成其他严重后果的,处三年以下有期徒刑或者拘役;情节特别恶劣的,处三年以上七年以下有期徒刑。 所以大家一定要持证上岗作业!
低压电工作业:
指对1千伏(kV)以下的低压电器设备进行安装、调试、运行操作、维护、检修、改造施工和试验的作业。

广西特种作业【电工、焊工、高处、制冷】报名基本条件:
(一)年满18周岁,且不超过国家法定退休年龄;
(二)并无妨碍从事相应特种作业的相关疾病和生理缺陷;
(三)具有初中及以上文化程度;
广西特种作业【电工、焊工、高处、制冷】报名基本资料:
(一)填写报名申请表;
(二)身份证正反面照片;
(三)在“广西安全生产培训考核发证管理系统”平台报名
(四)一寸白底照片电子版(或大半身清晰照片即可我们处理);
广西特种作业【电工、焊工、高处、制冷】考试方式:
特种作业操作资格考试包括安全技术理论考试和实际操作考试两部分。考试不及格的,允许补考2次。经补考仍不及格的,重新参加相应的安全技术培训。
培训方式:线上课程学习+面授培训
培训内容:国家安全生产法律法规、各工种作业基础知识、劳动卫生与防护知识、实作技能训练,培训结束组织参加特种作业操作证考试。
广西特种作业【电工、焊工、高处、制冷】考试须知
1、参加考试:考试必须由本人亲自参加,切莫亲信不考试、包过拿证的谣言和骗局,果真如此简单就能拿到证书,国家就不会严查证书了,也不会有企业无证上岗受高额处罚了,聪明的你,肯定能鉴别是非。
2、考试分为理论+实操:理论为机考,一人一桌,全程人脸监控摄像,考试共100道题(70道判断题、30道选择题,80分及格)。报名后,赠送学习卡,学习卡为精选题库,考试90%从题库出,题量少,精准度高;实操是VR+仿真考试设备,考试难度低,培训老师会有交代。
3、考试时间:焊工作业为108个培训学时,大概14天。一个班期从开班到结班10天,结班后开始算学时。学时满后,就可以安排考试。每月会有2-3批考试,具体以实际通知为准。
4、证书下发:考试成绩合格15个工作日左右即可下发证书,也可在应急管理部国网下载电子证书,全国通用,可异地申请复审换证。




应急管理厅(原安监局)特种作业鉴定工种:
1、电工作业:高压电工作业、低压电工作业、电力电缆作业、继电保护作业、电气试验作业、防爆电气作业
2、焊工作业:焊接与热切割作业、熔化焊接与热切割作业
3、高处作业:登高架设作业、高处安装/维护/拆除作业
4、制冷作业:制冷与空调设备运行作业、制冷与空调设备安装修理作业
市场监督管理局/特种设备从业人员考试培训:
1、特种设备安全管理人员证(A证):
锅炉安全管理、压力容器安全管理、电梯安全管理、起重机械安全管理、叉车安全管理。
2、场(厂)内专用机动车辆作业证:
(1)、叉车司机证(N1证):
(2)、观光车和观光列车司机证(N2证)
3、起重机械司机证和起重机械指挥证:
(1)、起重证也叫行车证、天车证(代号:Q2)分:桥式起重机司机、门式起重机司机、塔式起重机司机、门座式起重机司机、缆索式起重机司机、流动式起重机司机、升降机司机。
(2)、起重指挥证(Q1证)
4、锅炉作业证:
(1)、工业锅炉司炉证证(G1证)。
(2)、电站锅炉司炉证(G2证):(资格认定范围为300MW以下(不含300MW)的电站锅炉司炉人员,300MW电站锅炉司炉人员由使用单位按照电力行业规范自行进行技能培训)。
(3)、锅炉水处理证(G3证)。
5、压力容器证:
(1)、快开门式压力容器操作证(R1)
(2)、移动式压力容器充装(R2)
(3)、氧舱维护保养(R3)
备注:特种设备从业人员证,4年复审一次,证书由市场监督管理局颁发,上岗必备。报名需要资料:身份证、毕业证、照片白底6张、体检表、申请表。

关注我~了解更多关于特种设备相关知识吧!
本地培训考试、(电子证,无IC卡)全国通用、官网可查询

报名处联系人:周老师
联系电话:13768304047(微信同步)
钦州培训地点:钦州市钦州湾大道80号六楼明德职业培训学校
南宁培训地址:南宁市兴宁区长堽路三里一巷43号或广西西路169号南宁职业技术学学院


升学规划-志愿填报-大专本科-学士学位-考研申硕
欢迎咨询周老师(189 0777 3301 微信同号)





广西成人高考报名条件:
广西成人高考报考条件:
1、高中起点专科: 凡年满18周岁,有身份证者,均可报考。
2、专科起点本科:凡具备国民教育系列专科以上学历者,均可报考。
1、预报名后,负责老师会为考生提供从复习、报名、现场确认、考试、录取、报到的全程指导服务;
2、预报名后,负责老师会为考生讲解所报考院校的录取分数线、录取后的学习形式(网上学习还是到校学习),毕业要求等信息,方便考生选择适合自己的院校和专业;
3、预报名后,符合条件可申请免试入学及加分照顾,例如如何申请满25周岁加20分政策等;
4、预报名后,可享受专业的考前培训辅导,提供内部纸质的考试重点复习资料,让考试轻松简单,确保考生顺利录取;
5、特别提醒:成人高考只有考试通过后,被报考院校录取,才会收取学费,学费标准应以广西成人高考招生考试网及学校官方公布的学费为准,谨防乱收费,请考生熟知。
广西成人高考招生院校(排名不分先后):
南宁师范大学,桂林理工大学,广西财经学院,桂林电子科技大学,广西民族大学,广西开放大学,广西警察学院,广西师范大学,广西中医药大学,广西医科大学,桂林医科大学,广西科技大学,北部湾大学,玉林师范学院,桂林航天工业学院,广西艺术学院,右江民族医学院,桂林学院,百色学院,贺州学院,河池学院,南宁学院,广西外国语学院,广西农业职业技术大学,南宁理工学院,广西幼儿高等专科学校,柳州城市学院,广西工程职业技术学院,广西安全工程职业学院,广西工业职业技术学院,广西科技职业学院等
广西成人高考考点分布:


学士学位授予条件:本科毕业生学完教学计划的各项要求,其课程学习成绩的加权平均分在70.0分以上,毕业论文(毕业设计或其他毕业实践环节)的成绩在及格以上并通过论文答辩,可以申请授予学士学位。


2025年广西成人高考指导报名入口(考生点击报名)
2025成人高考考试时间:10月18-19日(暂定,依考试院公告为准)
广西成人高考信息可咨询在线招生老师电话:
周老师 18907773301、QQ:511566526
周老师 19126227751 、18070776035、19177718919
广西各城市均设有考点:南宁成人高考报名、柳州成人高考报名、桂林成人高考报名、玉林成人高考报名、梧州成人高考报名、河池成人高考报名、百色成人高考报名、崇左成人高考报名、钦州成人高考报名、北海成人高考报名、贺州成人高考报名、来宾成人高考报名、贵港成人高考报名、防城港成人高考报名等。
请关注广西成人高考函授招生网(广西函授网)抖音号zh511566526
广西招生考试院/广西普通高考/广西公办高职高专/广西职教高考/单招对口招生信息/对口升学/单招升学/公办高职高专招生/全日制统招/专升本/预科班/中职招生/成人高考/职业证书/教育信息/升学信息/培训信息/指导学生/分数线/阅读院校/院校美景/就业指导等重要信息发布!