灵山县低压电工证实操常考内容【看到就是赚到/速收藏】
灵山县低压电工证实操常考内容【看到就是赚到/速收藏】

报名处联系人:宁老师
联系电话:13307775526(微信同步)
培训地点:钦州市钦州湾大道80号六楼明德职业培训学校

低压电工实操考试评分表

低压电工作业内部复习资料(考到就是赚到/速收藏)
一、常用低压电器
1、熔断器
作用:短路保护

2、低压断路器(空气开关)
作用:欠压、过载、和短路保护

3、交流接触器
作用:失压保护及欠压保护

4、热继电器
作用:过载保护

5、闸刀开关
作用:用来隔离电源或手动接通与断开交直流电路

6、漏电开关(漏电断路器)
作用:漏电保护(保护人身安全、预防火灾、防止电器设备损坏等)

7、按钮开关
作用:发号施令

8、电流互感器
作用:把大电流转换成小电流

二、常用电工仪表
1、万用表

作用:测量直流电压、交流电压、直流电流、电阻、电子元件的好坏及导线的通断。
测量电阻时要注意事项:
1)不可带电测量;
2)测量前应进行欧姆调零;
3)测量电容器时应先放电再测量。
测量电压时要注意事项:
1)不知道被测电压是多少伏时应该使用最大量程测量;
2)测量相电压(220V)应将量程打到250V位置;如果刚好是220V,读数应读0—250那一条线,指针应指到200过去四小格;
3)测量线电压(380V)应将量程打到500V位置;如果刚好是380V,读数应读0—250那一条线,指针应指到200回来两小格;
2、摇表
作用:测量电气设备及供电线路的绝缘电阻
在什么情况下使用?
1)电动机大修之后;
2)电动机停放三个月以上不用,再次使用时;
3)新安装好的电动机及供电线路;
4)被雨水淋过的电动机。
怎样接线?
1)L:接线柱用来接被测对象;
2)E:用来接地或接电器设备的外壳;
3)G:用来接屏蔽端。
使用兆欧表测量要注意什么?
1) 不可带电测量。
2)测量前要判断兆欧表的好坏。应将兆欧表保持水平位置,分开两表笔,左手按住表身,右手摇动兆欧表摇柄,转速约120r/min,指针应指向无穷大(∞);短接两根表笔,右手轻摇动兆欧表摇柄,指针应指向零(0),否则说明兆欧表有故障。

3、钳型电流表
作用:测量交流电流。
注意事项:
1)不知道电流是多大应该用最大量程测量;
2)不能够带电换量程。
三、电气安全
1、保证安全生产的措施
停电、验电、装设接地线、悬挂标示牌和装设遮栏
2、常用低压配电系统名称,字母色
配电系统:IT系统、TT系统、TN系统;TN系统又分:TN-C系统、TN-S系统、TN-C-S系统。
字母色:黄,绿,红,黑(淡蓝),黄/绿双色。
3、接零保护、重复接地、接地保护的适用范围
1)保护接零:适用于中性点直接接地电网。
2)重复接地:适用减轻PE线或PEN线意外短开或接触不良时接零设备上出现电击的危险。
3)保护接地:适用于中性点不直接接地电网。
4、防止直接接触电击的防护措施
绝缘、屏蔽、安全距离、安全电压、漏电开关等

四、 接线(画图)
1、 单相电度表的接线

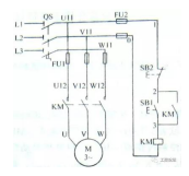
2、电动机自锁控制线路

3、两地控制一盏灯接线图

4、 六个灯泡进行星形连接和三角形

四、救护及法规
1、常见触电形式及电流路径
1)单相触电(电流从手到脚)
2)两相触电(电流从手到手)
3)跨步电压触电(电流从脚到脚)
2、发现有人触电了怎么办?
首先应尽快使触电者脱离电源,然后再进行现场急救。
3、人工救护的方法有哪几个?
人工呼吸、胸外心脏挤压法
4、在什么情况下使用人工呼吸,应该怎样操作?
没有呼吸就用人工呼吸;要领:一分钟吹12次,吹两秒停三秒。
5、在什么情况下使用胸外心脏挤压法,应该怎样操作?
没有心跳就用胸外心脏挤压法;要领:每分钟按压100-110次,成人3-4cm,儿童1-2cm。
6、电流通过人体的什么部位最危险?
心脏
7、与特种作业人员相关的法律法规有那些?
1)《安全生产法》;
2)《劳动法》;
3)《安全生产培训管理办法》;
4)《消防法》;
5)《职业病防治法》;
6)《生产安全事故报告和调查处理条例》;
7)《工伤保险条例》;
8)《劳动防护用品监督管理规定》;
9)《生产经营单位安全培训规定》;
10)《安全生产事故隐患排查治理暂行规定》;
11)《特种作业人员安全技术培训考核管理规定》;
12)《工作场所职业卫生监督管理规定》;


特种作业操作证介绍
电工证:高压电工作业、低压电工作业。
焊工证:焊接与热切割作业、熔化焊接与热切割作业。
登高证:登高架设作业、高处安装、拆除作业等。
制冷证:制冷与空调设备运行操作作业、制冷与空调设备安装修理作业。

培训流程:
从事特种作业人员操作证必须熟悉相应特殊工种作业的安全知识及防范各种意外事故的技能。
整个培训流程:
1、带上个人报名资料;
2、到明德教育报名交材料 ;
3、再统一安排录入指纹发放网上学习卡;
4、登录官网进行学习15套特种作业知识,学习时间约20天;
5、网上学习通过后;
6、到明德教育进行实操培训;
7、即可安排参加考试。
报名条件:
年满18周岁,身体健康,初中以上文化,有意从事特种作业技术工作、工程技术人员和生产管理人员。
报名所需资料:
身份证复印件两张,1寸相照4张。
报名地址:钦州市钦北区钦州湾大道80楼六楼招生二部
报名联系人:13307775526/13617880816(微信同号)宁老师

培训收费
收费标准:按学校定价为准

钦州本地培训考试、(电子证,无IC卡)全国通用、官网可查询!
低压电工证.高压电工证.焊工证.登高证.制冷证.安全员证常年招生,每月开班,通过率高,培训时间灵活,拿证快,钦州特种作业市级培训中心,考证无忧!
电工/焊工/高处/制冷联系人:宁老师
联系电话:13307775526(微信同步)

升学规划-志愿填报-大专本科-学士学位-考研申硕
欢迎咨询周老师(189 0777 3301 微信同号)





广西成人高考报名条件:
广西成人高考报考条件:
1、高中起点专科: 凡年满18周岁,有身份证者,均可报考。
2、专科起点本科:凡具备国民教育系列专科以上学历者,均可报考。
1、预报名后,负责老师会为考生提供从复习、报名、现场确认、考试、录取、报到的全程指导服务;
2、预报名后,负责老师会为考生讲解所报考院校的录取分数线、录取后的学习形式(网上学习还是到校学习),毕业要求等信息,方便考生选择适合自己的院校和专业;
3、预报名后,符合条件可申请免试入学及加分照顾,例如如何申请满25周岁加20分政策等;
4、预报名后,可享受专业的考前培训辅导,提供内部纸质的考试重点复习资料,让考试轻松简单,确保考生顺利录取;
5、特别提醒:成人高考只有考试通过后,被报考院校录取,才会收取学费,学费标准应以广西成人高考招生考试网及学校官方公布的学费为准,谨防乱收费,请考生熟知。
广西成人高考招生院校(排名不分先后):
南宁师范大学,桂林理工大学,广西财经学院,桂林电子科技大学,广西民族大学,广西开放大学,广西警察学院,广西师范大学,广西中医药大学,广西医科大学,桂林医科大学,广西科技大学,北部湾大学,玉林师范学院,桂林航天工业学院,广西艺术学院,右江民族医学院,桂林学院,百色学院,贺州学院,河池学院,南宁学院,广西外国语学院,广西农业职业技术大学,南宁理工学院,广西幼儿高等专科学校,柳州城市学院,广西工程职业技术学院,广西安全工程职业学院,广西工业职业技术学院,广西科技职业学院等
广西成人高考考点分布:


学士学位授予条件:本科毕业生学完教学计划的各项要求,其课程学习成绩的加权平均分在70.0分以上,毕业论文(毕业设计或其他毕业实践环节)的成绩在及格以上并通过论文答辩,可以申请授予学士学位。


2025年广西成人高考指导报名入口(考生点击报名)
2025成人高考考试时间:10月18-19日(暂定,依考试院公告为准)
广西成人高考信息可咨询在线招生老师电话:
周老师 18907773301、QQ:511566526
周老师 19126227751 、18070776035、19177718919
广西各城市均设有考点:南宁成人高考报名、柳州成人高考报名、桂林成人高考报名、玉林成人高考报名、梧州成人高考报名、河池成人高考报名、百色成人高考报名、崇左成人高考报名、钦州成人高考报名、北海成人高考报名、贺州成人高考报名、来宾成人高考报名、贵港成人高考报名、防城港成人高考报名等。
请关注广西成人高考函授招生网(广西函授网)抖音号zh511566526
广西招生考试院/广西普通高考/广西公办高职高专/广西职教高考/单招对口招生信息/对口升学/单招升学/公办高职高专招生/全日制统招/专升本/预科班/中职招生/成人高考/职业证书/教育信息/升学信息/培训信息/指导学生/分数线/阅读院校/院校美景/就业指导等重要信息发布!